2026
Add your custom text here

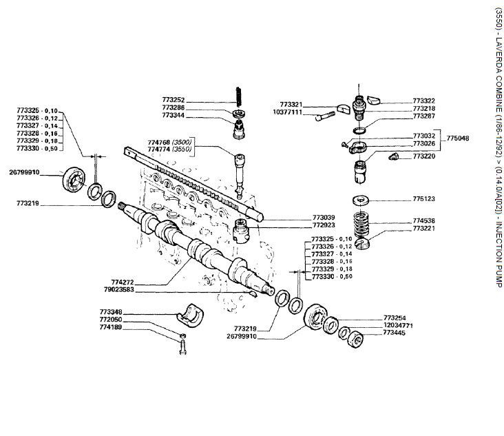
Marcas / Laverda / 3550 / MOTOR / 30. BOMBA DE INJEÇÃO

Nenhum produto definido


Can't find what you're looking for? Fill in the form below