2026
Add your custom text here

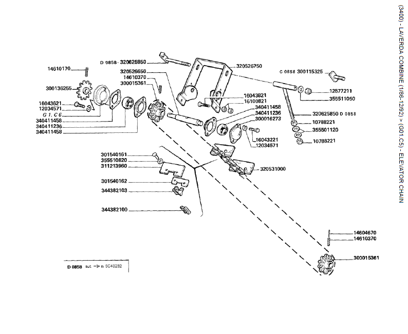
Marcas / Laverda / 3400 / TANQUE E CAPOTA / 05. CADEIA DO ELEVADOR

Nenhum produto definido


Can't find what you're looking for? Fill in the form below