2026
Add your custom text here

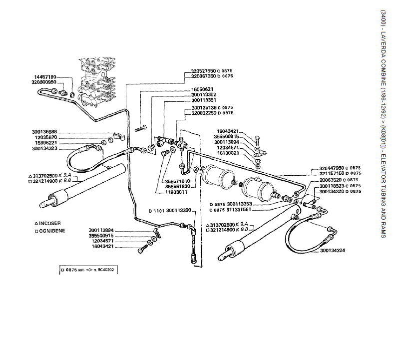
Marcas / Laverda / 3400 / SISTEMA HIDRÁULICO / 06.TUBULAÇÃO DO ELEVADOR E RAMS

Nenhum produto definido


Can't find what you're looking for? Fill in the form below