2026
Add your custom text here
Tratores
Peças
Ajuda
Contacte-nos
O meu carrinho
Lista de Desejos
0
Iniciar sessão
←
→
Marcas
/
Laverda
/
3400
/
PLATAFORMA DO MOTORISTA
/
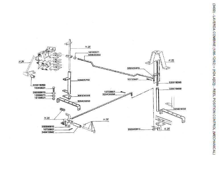
51.CONTROLE DA POSIÇÃO DO CARRETEL (MECÂNICA)
←
→
Mostrar Desenho Técnico
Site arbos
Site arbos
Ordenar por
Preço: Descendente
Preço: Ascendente
Nome - A a Z
Nome - Z a A
Nenhum produto definido
Can't find what you're looking for? Fill in the form below
Nome Completo
Email
Nº Peça
Observações
Confirmar