2026
Add your custom text here
Tratores
Peças
Ajuda
Contacte-nos
O meu carrinho
Lista de Desejos
0
Iniciar sessão
Pesquisa em Grelha
Marcas
/
Laverda
/
3550
/
ELEVADOR
Mostrar todos os Produtos
01. MOVIMENTAÇÃO DO MECANISMO
02. EMBRAIAGEM DO MECANISMO DE LIMPEZA
03. CONCAVE PARA TREVO VERMELHO
04. RASP-BAR CONCAVE COM ESPAÇO DE FIO MISTURADO
05. RASP-BAR CONCAVE COM ESPAÇO DE FIO LARGO
06. RASP-BAR CONCAVE COM ESPAÇO NORMAL DE FIO
07. RASP-BAR CONCAVE COM ESPAÇO DE FIO ESTREITO
08. CONCAVE DE MILHO E GIRASSOL
09. MAIS-MIX CONCAVE
10. TAMBOR COM VARAS
11. VARIAÇÃO DO TAMBOR
12. PROTECÇÃO DA VARIAÇÃO DO TAMBOR
13. PROTECÇÃO DA VARIAÇÃO DO TAMBOR
14. PROTECÇÃO DA VARIAÇÃO DO TAMBOR
15. SUPORTES DO TAMBOR
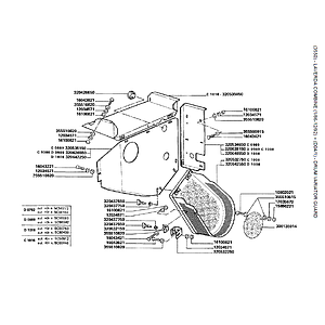
16. CARCAÇA DO TAMBOR
17. PROTECÇÃO DA CARCAÇA DO TAMBOR
17. TAMBOR PARA TREVO VERMELHO
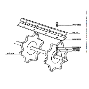
18. TAMBOR DE BARRA DE PLACAS
19. TRANSPORTADOR DE E CONCAVE O ANCINHO
20. TRANSPORTADOR DE E CONCAVE O ANCINHO
21. TRANSPORTADOR DE E CONCAVE O ANCINHO
22. BATEDOR ATRÁS DO TAMBOR
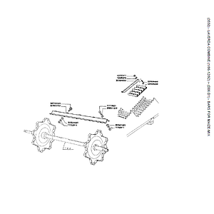
23. BARRAS PARA MILHO-MISTURA
Não encontrou o que procura? Clique Aqui.