2026
Add your custom text here
Tratores
Peças
Ajuda
Contacte-nos
O meu carrinho
Lista de Desejos
0
Iniciar sessão
Pesquisa em Grelha
Marcas
/
Laverda
/
3550
/
ANDARILHO PARA PALHA
Mostrar todos os Produtos
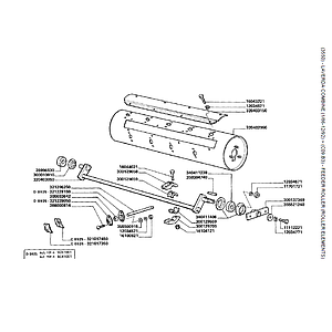
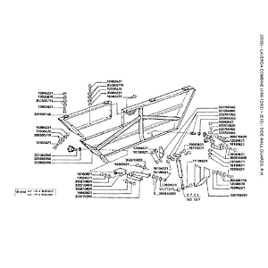
01. FAIXA DO ANCINHO
01. SEM ROLO DE ALIMENTADOR (CORRENTES)
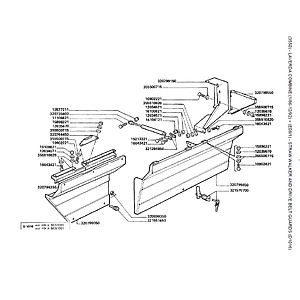
02. CAPA DO ANDARILHO DE PALHA
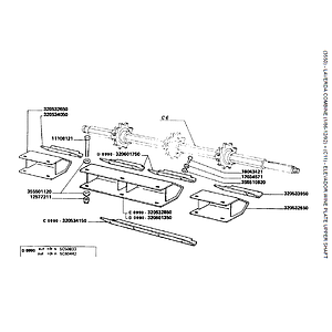
02. EIXO SUPERIOR
03. CAPA DO ANDARILHO DE PALHA
03. TRANSMISSÃO
04. CAPA DO ANDARILHO DE PALHA
04. EIXO INFERIOR
05. CAPA DO ANDARILHO DE PALHA
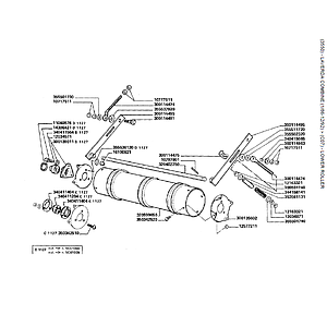
05. ROLO INFERIOR
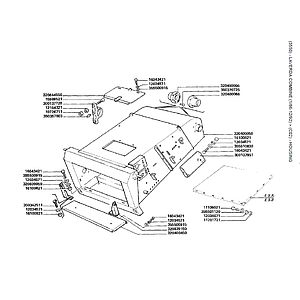
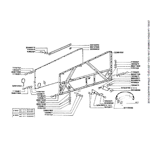
06. ANDARILHO DE PALHA
06. HABITAÇÃO
07. ELEVADOR DE HABITAÇÃO
07. GUIA DO ANDARILHO DE PALHA
08. ANDARILHO DE PALHA E E PROTECTOR DE CINTO DE MOVIMENTAÇÃO (D1016)
08. CONJUNTO DE ROLO DE ALIMENTADOR
09. ANDARILHO DE PALHA E E PROTECTOR DE CINTO DE MOVIMENTAÇÃO (C1016)
09. ROLO DE ALIMENTADOR (TRANSMISSÃO)
10. ANDARILHO DE PALHA
10. ROLO DE ALIMENTADOR (ELEMENTOS DO ROLO)
11. RETARDADOR DE PALHA (C1094)
11. ROLO DE ALIMENTADOR (CORRENTES)
12. PLACA SUPERIOR DO EIXO DA PLACA DE VINHO
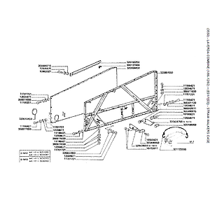
12. PROTECÇÕES LATERAIS, L.H
13. CORPO TRASEIRO
13. TRANSMISSÃO DA MESA DE CORTE
14. BATEDOR TRASEIRO PARA CONDUZIR A TRANSMISSÃO
14. TRANSMISSÃO DA MESA DE CORTE
15. ACOPLAMENTO DE MESA DE CORTE
15. PEÇAS PARA SOLOS ARENOSOS
16. PEÇAS PARA SOLOS ARENOSOS
17. PEÇAS PARA SOLOS NORMAIS
18. PEÇAS PARA SOLOS NORMAIS
Não encontrou o que procura? Clique Aqui.