2026
Add your custom text here
Tratores
Peças
Ajuda
Contacte-nos
O meu carrinho
Lista de Desejos
0
Iniciar sessão
Pesquisa em Grelha
Marcas
/
Laverda
/
3500
/
DEBULHADORA
Mostrar todos os Produtos
01.ENGATE DA MESA DE CORTE
02.TRANSMISSÃO DA MESA DE CORTE
03.TRANSMISSÃO DA MESA DE CORTE
04.ELEVADOR DE PLACA VITÍCOLA DO EIXO SUPERIOR
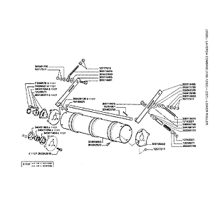
05. ROLO DE ALIMENTADOR (CORRENTES)
06. ROLO DE ALIMENTADOR (ELEMENTOS)
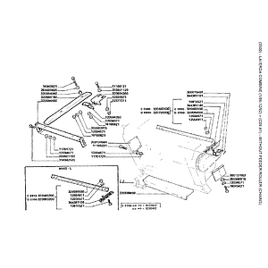
07.ROLO DE ALIMENTADOR (TRANSMISSÃO)
08.CONJUNTO DE ROLO DE ALIMENTADOR
09.ELEVADOR DE HABITAÇÃO
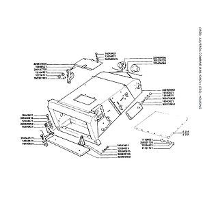
10.HABITAÇÃO
11.ROLO INFERIOR
12EIXO INFERIOR
13.TRANSMISSÃO
14.EIXO SUPERIOR
15. EIXO SUPERIOR
16. SEM ROLO DE ALIMENTADOR (CORRENTES)
Não encontrou o que procura? Clique Aqui.