2026
Add your custom text here

Pesquisa em Grelha

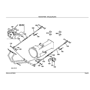
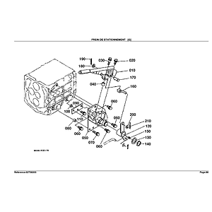
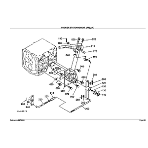
Marcas / Kubota / Agricultura - Tratores, alfaias e utilitários / Serie B / B1550 / FREIO

Mostrar todos os Produtos