2026
Add your custom text here

Pesquisa em Grelha

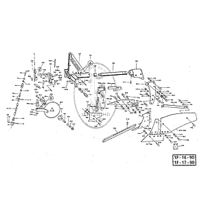
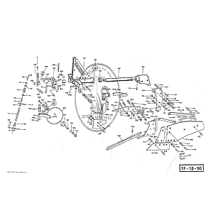
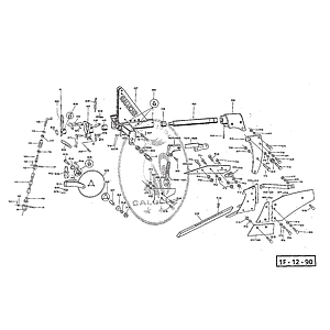
Marcas / Galucho / CHARRUAS / Charruas de 1 ferro 90º / 1F-90

Mostrar todos os Produtos